I²C/SPI oscilloscope software

Triggering and decoding

I²C/SPI oscilloscope software
Show me more details
I²C/SPI oscilloscope software
Show me more details
I²C/SPI oscilloscope software
Show me more details
I²C/SPI oscilloscope software
Show me more details
I²C/SPI oscilloscope software
Show me more details
I²C/SPI oscilloscope software
Show me more details
I²C/SPI oscilloscope software
Show me more details
I²C/SPI oscilloscope software
Show me more details
I²C/SPI oscilloscope software
Show me more details
I²C/SPI oscilloscope software
Show me more details
I²C/SPI oscilloscope software
Show me more details

Key facts

  • Symbolic decoding for I²C addresses and data
  • Telegram display as color-coded bus signals and in decode table
  • Trigger on start, stop, address, data and various error conditions
  • Supports decoding of up to 4 serial buses from analog or digital channel signals
  • Fastest I²C and SPI eye-diagram mask testing with standard mask test functionality
  • Multi-domain icon

Oscilloscope software

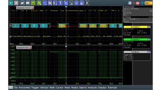
All Rohde & Schwarz oscilloscopes support triggering and decoding of I2C, of 2-wire, 3-wire and 4-wire SPI buses. You can setup decoding in seconds. For detailed analysis, results can be viewed as color-coded telegrams and/or in a table. Errors are identified efficiently and reliably using the hardware-accelerated trigger. You can trigger on start, stop, address, data and various error conditions.

Features & benefits

Fast bus setup

Bus setup in seconds with the app cockpit

Starting from the app cockpit, it only takes a few steps to configure any given protocol. Once the bus to decode has been chosen, the connected channels selected and the correct levels set, decoding begins automatically.

Show me more details

Bus decoding selection with the app cockpit.

Color-coded telegram display

Telegram display as color-coded bus signals and in decode table

You can analyze the decoded bus frames by overlaying the signal with color-coded data. Address and data content can be displayed in hex, bin or ASCII format. You always have the best overview with the flexible screen setup. The telegrams can also be displayed in a concise table.

Show me more details

Decoded frames are color-coded.

Strong trigger capability

Strong trigger capability on start, stop, address, data and various error conditions

The protocol-specific trigger lets you reliably isolate protocol events and errors. Thanks to high acquisition rates, Rohde & Schwarz oscilloscopes are ideal for finding errors quickly, allowing decoding of protocol-specific trigger results.

Show me more details

Protocol trigger setup dialog.

Search and navigate in recorded acquisitions

Powerful search and navigate capability

Comprehensive search functions simplify the analysis of long signal sequences. You can search for waveforms based on different criteria, such as signal faults or protocol content. All detected events are shown in a table with timestamps. The individual events can be examined in a zoom window with simple navigation between events.

Show me more details

Powerful searching, even in long recordings.

Available models

Request information

Do you have questions or need additional information? Simply fill out this form and we will get right back to you.
For service/support requests, please go here to log in or register.

Marketing permission

Your request has been sent successfully. We will contact you shortly.
An error is occurred, please try it again later.
General and legal information

Manufacturer's recommended retail price (MSRP). The price shown does not include VAT. Prices and offers are only intended for entrepreneurs and not for private end consumers.

You may use the electronic signature via DocuSign to submit your information to enroll with the Rohde & Schwarz Customer Delegated Administration program. DocuSign processes the information provided according to their . The minimum system requirements for using the DocuSign system may change over time. The current system requirements are found

Terms & Conditions of the Prize Draw 10 years Rohde & Schwarz oscilloscopes

1. The prize draw “10 years Rohde & Schwarz oscilloscopes” (herein referred to as “Draw”) is organized by Rohde & Schwarz GmbH & Co. KG, Mühldorfstraße 15, 81671 Munich, Germany, Tel. +49 89 41 29 0 (herein referred to as “R&S).

2. All participators can register to the draw during January 01, 2020 to December 31, 2020 with their name, company name and business e-mail.

3. Participation is free of charge and not dependent on the purchase of goods or services.

4. The draw is only open to legal entities and only the legal entities are able to win the prizes. An individual person is not allowed to participate on its own name and its own account but as a representative of a legal entity filing the participation form in the name of and on behalf of the legal entity.

5. The prizes to win are 1 of 10 R&S®RTB2000 within the time frame January 1, 2020 to December 31, 2020:

Prize: 1x R&S®RTB2000 Digital Oscilloscope

6. The draw takes place at Rohde & Schwarz headquarters, Muehldorstrasse 15, 81671 Munich. The winner of the prizes will be informed by e-mail within 5 (5) working days.

7. The authorized representative of the legal entity shall inform Rohde & Schwarz about the acceptance of the price. In case of the denial of the acceptance, or no answer within two (2) weeks, a new winner will be drawn. If no winner can be determined within four (4) weeks, the draw ends and the prize forfeit.

8. R&S’ employees and members of their families and also person being familiar with the process of the draw and members of their families are excluded from filling the participation form.

9. No cash equivalent or exchange of prizes is allowed. Prizes are non-transferable. All taxes, levies, duties, fees and other charges levied in the participant´s country shall be borne by the participant.

10. Personal data will be processed only for the purpose of this prize draw and deleted four (4) weeks after the draw, if not agreed otherwise.

11. Any Participant who does not comply with these Terms & Conditions may be disqualified by R&S from this Competition. In such cases, prizes can also be withdrawn retrospectively. In case a prize is withdrawn retrospectively due to the non-compliance with these Terms & Conditions, it shall be returned by the respective participant at his cost to R&S’ address mentioned under Nr.1 and a new winner will be drawn.

12. The participants cannot claim the prizes of this draw and no legal recourse is permitted in this respect.

13. The draw and any contractual relationship arising therefrom between R&S and the respective participant shall be governed by and construed in accordance with the laws of Germany, without any recourse to the conflict of laws. The courts of Munich, Germany, shall have exclusive jurisdiction in case of any disputes arising directly or indirectly from the participation in this Competition.

* “fast delivery” inside 7 working days applies to the Rohde & Schwarz in-house procedures from order processing through to available ex-factory to ship.